TERBERG RT222 (2010)
1 154 000 товаров
Тягач портовый
Модификация: RT222 VIN: XLWRT2228A4900295 TC 538878 (2010)
-
Шильдики
-
Система стеклоочистителей
-
Стекла
-
Остекление кабины
-
Комплектующие кабины (часть 1)
-
Комплектующие кабины (часть 2)
-
Окно боковое
-
Крыша кабины
-
Защита шасси
-
Крепление кабины
-
Система наклона кабины
-
Отопитель кабины
-
Устройство поворота кабины
-
Механизм регулировки сиденья
-
Зеркала заднего вида
-
Подножки
-
Штифты шасси
-
Ремень безопасности
-
Кресло водительское в разборе
-
Фильтр воздушный
-
Двигатель в сборе
-
Система амортизации двигателя
-
Система охлаждения
-
Звукоизоляция
-
Система очистки воздуха
-
Система выхлопная
-
Фильтры
-
Бак гидравлический и бак топливный
-
Педаль газа
-
Комплектующие КПП
-
Соединение двигателя и КПП
-
Трубопровод охлаждения
-
Вал карданный
-
Валы приводные
-
Коробка раздаточная
-
Клапаны электромагнитные
-
Компоненты электронные
-
Панель приборная
-
Блок предохранителей
-
Комплектующие приборной панели
-
Аккумуляторы
-
Освещение и его крепления
-
Освещение и звуковые сигналы
-
Лампа сигнальная
-
Освещение рабочее (часть 1)
-
Освещение рабочее (часть 2)
-
Система остановки двигателя
-
Разъемы
-
Лампочки
-
Комплект предохранителей
-
Соединители
-
Отвертки
-
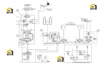
Схема электрическая
-
Система подключения прицепа
-
Комплектующие тормозной системы (часть 1)
-
Комплектующие тормозной системы (часть 2)
-
Бак воздушный
-
Комплектующие тормозной системы (часть 3)
-
Линия охлаждения компрессора
-
Комплект соединений
-
Комплектующие моста
-
Система подвески моста
-
Проставка колесная
-
Цилиндры тормозные
-
Подвеска кабины
-
Комплектующие электрической системы
-
Тормоз стояночный
-
Рама подъемная
-
Ограничители
-
Система рулевого управления (часть 1)
-
Система рулевого управления (часть 2)
-
Бак топливный
-
Насос гидравлический
-
Клапан подъема рамы
-
Комплектующие подъема рамы
-
Амортизация седла
-
Комплектующие подъемной рамы
-
Устройство седельно-сцепное
-
Клапан и фильтр
-
Система гидравлическая (часть 1)
-
Система гидравлическая (часть 2)
-
Хомуты
-
Кронштейны монтажа