LGCE (SDLG) YC6J125Z-T22 (J99G0) Code 4110001058
1 154 000 товаров
Двигатель Yuchai
Модификация: YC6J125Z-T22 (J99G0) (2013.07) Code 4110001058
-
Комплектующие блока цилиндров j99g0-1002000.04
-
Картер коробки передач j8000-1002030.10
-
Головка блока цилиндров в сборе j80g8-1003000.03
-
Шатун поршня в сборе j3200-1004000.01
-
Виброгаситель коленчатого вала j8200-1005000.04
-
Вал распределительный в сборе 630-1006000a.02
-
Толкатель клапана в сборе j3200-1007000.07
-
Комплектующие впускного коллектора j80g8-1008100.01 &j80g8-1008500.02
-
Комплектующие выпускного коллектора j80g8-1008200.01
-
Поддон и щуп масляный в сборе 340-1009000.05
-
Патрубок маслозаборный 340-1010000.05
-
Насос масляный с крепежными болтами 3000-1011000.05
-
Фильтр масляный в сборе j8001-1012000.03
-
Радиатор масляный в сборе j99g0-1013000.06
-
Горловина заливная 311-1014000.05
-
Щуп масломерный 630-1028000.01
-
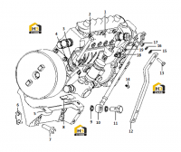
Система подачи топлива j99g0-1104000.01
-
Фильтр топливный j8006-1105000.01
-
Фильтр воздушный в сборе j80g8-1109000.06
-
Насос топливный высокого давления j8000-1111000.04
-
Форсунка топливная j3400-1112000.04
-
Крепление двигателя в сборе b7626-1001000.02
-
Турбокомпрессор j99g0-1118000.01
-
Глушитель в сборе j80g8-1201000.04
-
Патрубок водяной трубы радиатора j8001-1303000.04 &j80g2-1306000.03
-
Кран водяной спускной 631-1305000.06
-
Насос водяной в сборе j80g2-1307000.02
-
Вентилятор в сборе bb0a3-1308000.02
-
Маховик в сборе j8000-1600000.06
-
Компрессор пневматический в сборе j99g0-3509000.01
-
Генератор в сборе j8201-3701000.02
-
Стартер b7641-3708000.03
-
Шильдик заводской b0000-3904000.01