LGCE (SDLG) WD12G310E221 (DHD12G0035) Code 4110001592
1 154 000 товаров
Двигатель Weichai
Модификация: WD12G310E221 (DHD12G0035) (2014.03) Code 4110001592
-
Картер маховика двигателя
-
Блок цилиндров в сборе
-
Клапан электромагнитный
-
Маховик в сборе
-
Комплектующие блока цилиндров 612600900135
-
Картер шестерен двигателя
-
Крышка передняя картера шестерен
-
Комплект вентиляции картера
-
Щуп масломерный
-
Вал коленчатый
-
Патрубок маслозаборный
-
Фланец и шестерня коленчатого вала 612600020863
-
Шкив и демпфер коленвала двигателя
-
Поршень в сборе
-
Шатун в сборе 61800030041
-
Головка блока с комплектующими
-
Крышка клапанная двигателя с комплектующими
-
Узел привода клапанов
-
Вал распределительный в сборе 612600050087
-
Шестерня промежуточная в сборе 61800050098
-
Комплект поршневых колец 612600030051
-
Узел водопроводной трубы
-
Насос водяной в сборе
-
Головка цилиндра с комплектующими 61560040040A
-
Кронштейн вентилятора в сборе
-
Натяжитель ремня
-
Насос масляный в сборе
-
Узел промежуточной шестерни масляного насоса 612600070510
-
Маслоприемник
-
Радиатор масляный и крышка теплообменника
-
Форсунка топливная
-
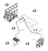
Трубки топливные (высокого давления)
-
Коромысло клапана 612600050177
-
Трубки топливные (высокого давления) 612600082332
-
Коромысло клапана 612600050178
-
Крепление топливного насоса
-
Фильтр топливный с крепежами
-
Трубки топливные (низкого давления)
-
Генератор в сборе
-
Кронштейн генератора в сборе
-
Коллектор впускной двигателя с крепежными болтами
-
Фильтр воздушный с креплением
-
Коллектор выхлопной в сборе
-
Турбокомпрессор с креплением
-
Трубка подачи масла в турбину с комплектующими
-
Патрубок воздушный с зажимом
-
Глушитель с крепежными болтами
-
Прокладка и болты крепления масляного поддона
-
Поддон масляный 612600150379
-
Болты крепления двигателя
-
Фильтр топливный в сборе
-
Корпус воздушного фильтра
-
Фильтр воздушный 612600113340
-
Комплект мелких деталей (болты, шайбы, прокладки)
-
Кронштейн генератора 612600012491
-
Датчик двигателя
-
Фильтр масляный
-
Стартер