LGCE (SDLG) SC9D220.2G2B1 Code 4110000999
1 154 000 товаров
Двигатель Sdec
Модификация: SC9D220.2G2B1 (2013.12) Code 4110000999
-
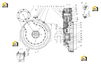
Блок цилиндров в сборе
-
Картер механизма газораспределения
-
Поддон картера
-
Головка блока цилиндров
-
Группа поршней и шатунов
-
Фланец и шестерня коленчатого вала
-
Маховик в сборе
-
Группа ведущих зубчатых колес
-
Вал распределительный в сборе
-
Стартер
-
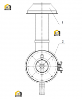
Система забора воздуха в сборе
-
Труба выпускная
-
Насос масляный в сборе
-
Группа систем передней передачи
-
Вентилятор
-
Фильтр масляный
-
Радиатор масляный в сборе
-
Система подачи топлива
-
Насос водяной
-
Термостат в сборе
-
Группа водопроводных линий
-
Узел топливопровода
-
Турбокомпрессор
-
Вал отбора мощности
-
Сапун маслоотделителя в сборе
-
Форсунка топливная
-
Комплектующие для воздушного компрессора
-
Фильтр топливный
-
Насос топливный высокого давления
-
Труба водопроводная
-
Труба выхлопная
-
Глушитель в сборе
-
Фильтр воздушный
-
Кронштейн двигателя
-
Устройство для отключения подачи топлива
-
Комплектующие двигателя