LGCE (SDLG) LGB680 (2007.04)
1 154 000 товаров
Экскаватор-погрузчик
Модификация: ДВС 4110000074 YTO DONGFANGHONG LRC4105G96A ГТР 4110000004 (J280-4B)КПП BYDK2205 Мост перед. 4110000014 (ZL15J-B) Мост задн. 4110000015 (ZL15J-B)
-
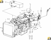
Система дизельного двигателя
-
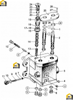
Cистема управления регулятора оборотов
-
Ручка управления
-
Топливный бак в сборе
-
Система гидротрансформатора
-
Гидротрансформатор (часть I)
-
Гидротрансформатор (часть II)
-
Гидротрансформатор (часть III)
-
Клапан регулирования давления
-
Фильтр масляный
-
Система коробки передач (трансмиссия)
-
Коробка передач и фитинги
-
Муфта переключения скорости коробки передач (часть I)
-
Муфта переключения скорости коробки передач (часть II)
-
Вал промежуточный (часть I)
-
Вал промежуточный (часть II)
-
Управление коробки передач
-
Распределительный клапан коробки передач
-
Система приводов мостов
-
Мост в сборе
-
Редуктор в сборе
-
Корпус дифференциала в сборе
-
Диск колесный и шина в сборе
-
Система рабочего тормоза
-
Суппорт тормозной
-
Воздухосборник, педаль тормоза, воздухоосушитель
-
Усилитель тормозов
-
Система стояночного тормоза
-
Корпус передней рамы
-
Корпус задней рамы
-
Рама
-
Модуль стабилизатора
-
Гидравлическая система рулевого управления
-
Рулевой механизм в сборе
-
Рулевой цилиндр
-
Гидравлическая система
-
Насос шестеренчатый
-
Гидрораспределитель
-
Клапан обратный масла
-
Клапан впускной масла
-
Клапан реверсивный секции стрелы
-
Клапан реверсивный секции подъема
-
Гидроцилиндр подъёма
-
Цилиндр наклона
-
Рычаг управления погрузчиком
-
Гидравлическая система (часть I)
-
Гидравлическая система (часть II)
-
Cекции распределителя
-
Клапан реверсивный (поворот стрелы)
-
Клапан реверсивный (секция тип "А")
-
Клапан обратный возврата масла (обратная лопата)
-
Клапан впускной масла (обратная лопата)
-
Цилиндр поворота
-
Цилиндр обратной лопаты
-
Гидроцилиндр подачи
-
Цилиндр стрелы обратной лопаты
-
Цилиндр стабилизатора
-
Секция стабилизатора
-
Клапан реверсивный гидравлический
-
Рычаги управления обратной лопатой
-
Маслобак в сборе
-
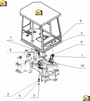
Кабина в сборе
-
Стрела погрузчика
-
Тяговый механизм
-
Ковш
-
Стрела обратной лопаты
-
Стрела-рукоять
-
Соединительные звенья ковша
-
Ковш обратной лопаты
-
Обшивка (крышки защитные)
-
Электросистема