LGCE (SDLG) LG979 (2014.12)
1 154 000 товаров
Погрузчик фронтальный
Модификация: ДВС 4110001772 Volvo D13-15185586 -7T ГТР КПП 4110001734 (22589HT200) Мост перед. 4110002110 SWB4B (56085) Мост задн. 4110002548 SWB4C (56087)
-
Двигатель в сборе
-
Система выпуска выхлопных газов
-
Воздухозаборная система
-
Система топливных трубопроводов
-
Генератор
-
Бак топливный в сборе
-
Система охлаждения двигателя
-
Бачок расширительный в сборе
-
Патрубки
-
Радиатор в сборе
-
Патрубки гидромотора
-
Комплектующие радиатора
-
Дополнительная система охлаждения 7 т.
-
Коробка передач в сборе
-
Блок управления переключения передач
-
Мост передний в сборе
-
Планетарный редуктор переднего моста
-
Главный привод передней бортовой передачи
-
Вал карданный
-
Крестовина, фланец переднего карданного вала (часть I)
-
Крестовина, фланец переднего карданного вала (часть II)
-
Вал карданный задний
-
Мост задний в сборе
-
Маслобак в сборе
-
Бак гидравлический
-
Насос рабочий в сборе
-
Гидравлический привод управления в сборе
-
Клапан распределительный M1-32-02
-
Цилиндр подъёма в сборе
-
Цилиндр стрелы (3713CH)
-
Цилиндр разгрузки ковша
-
Цилиндр наклона (3713CH)
-
Оборудование рабочее (пальцы, втулки)
-
Насос рулевого управления
-
Механизм управления в сборе
-
Цилиндры рулевого управления в сборе
-
Цилиндр рулевого управления (3713CH)
-
Тормоз рабочий в сборе
-
Тормоз стояночный в сборе
-
Крепежные средства передней рамы
-
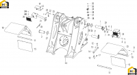
Рама задняя
-
Противовес
-
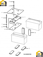
Крепёж аккумуляторной батареи
-
Централизованная система смазки LG979
-
Кабина в сборе
-
Бачок омывателя
-
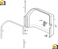
Дверь в сборе
-
Комплектующие кабины (внутренняя часть)
-
Крышка кондиционера в сборе
-
Электросистема кабины (часть I)
-
Сиденье в сборе
-
Комплектующие кабины
-
Система распределения воздуха
-
Чехол-накладка переключателя скоростей
-
Капот двигателя в сборе
-
Крышка капота двигателя в сборе
-
Лестница - платформа
-
Лампа задняя (указатель поворота)
-
Лестница-платформа правая (для доступа в кабину оператора)
-
Лестница-платформа левая (для доступа в кабину оператора)
-
Ступенька опорная
-
Логотипы и опознавательные знаки
-
Система кондиционирования воздуха
-
Кондиционер LG989
-
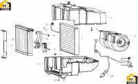
Отопитель кабины (330112) (часть I)
-
Отопитель кабины (330112) (часть II)
-
Система электропитания
-
Электросистема фронтального погрузчика
-
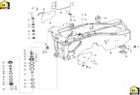
Электросистема задней рамы
-
Электросистема кабины (часть II)
-
Модуль системы контроля
-
Электросистема двигателя
-
Электросистема капота
-
Электросистема тормозов 7 т.
-
Электросистема передней рамы
-
Центральный электрический блок управления CECB-8
-
Ковш в сборе