LGCE (SDLG) LG958 (2006.09)
1 154 000 товаров
Погрузчик фронтальный
Модификация: ДВС 4110000166 (4110000164) SDEC C6121ZG50 (C6ZG50g) (C6121ZG19 (C6ZG19g) ГТР 4110000042002 (ZF 4168034034) КПП 4110000042 (ZF 4WG200) Мост перед. 2907000004 Мост задн. 2909000004
-
Дизельный двигатель в сборе C6121ZG50 (C6ZG50g)
-
Система управления регулятора оборотов
-
Система коробки передач (часть I)
-
Система коробки передач (часть II)
-
Узел крепления двигателя
-
Корпус коробки передач (внутренняя часть)
-
Корпус коробки передач (внешняя часть)
-
Вал промежуточный
-
Клапан предохранительный
-
Патрубки КПП
-
Муфта сцепления 151
-
Муфта сцепления 152
-
Муфта сцепления 153
-
Горловина наливного отверстия
-
Фильтр, заглушки
-
Вал отбора мощности (часть I)
-
Вал отбора мощности (часть II)
-
Прокладки коробки передач
-
Комплектующие гидравлического клапана
-
Датчик индуктивный
-
Переключатель передач
-
Система ведущих мостов
-
Мост передний в сборе
-
Главный привод (передний мост)
-
Мост задний в сборе
-
Главный привод (задний мост)
-
Бортовая передача в сборе
-
Колесо с шиной в сборе
-
Гидросистема рабочего оборудования
-
Насос шестерёнчатый в сборе
-
Цилиндр разгрузки ковша
-
Цилиндр подъема в сборе
-
Распределитель (регулирующий клапан)
-
Насос шестерёнчатый сдвоенный
-
Клапан приоритетный
-
Топливный бак в сборе
-
Гидравлический маслобак в сборе
-
Пальцы, втулки подъемной рамы
-
Система рулевого управления
-
Рулевой редуктор
-
Цилиндр рулевой
-
Рабочий тормоз в сборе
-
Суппорт тормозной
-
Воздухораспределитель, распределитель тормоза, воздухоосушитель
-
Пневмоцилиндр
-
Система стояночного тормоза
-
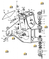
Рама передняя
-
Рама задняя
-
Противовес
-
Кабина в сборе
-
Корпус блока управления в сборе
-
Сиденье в сборе
-
Капот двигателя
-
Лестница в сборе (левая) (подножка)
-
Лестница в сборе (правая) (подножка)
-
Кронштейн фар (левый, правый)
-
Брызговик передний (правый, левый)
-
Система кондиционирования воздуха
-
Обогреватель
-
Электросистема