LGCE (SDLG) LG930-1 (2005.09)
1 154 000 товаров
Погрузчик фронтальный
Модификация: ДВС 2010900109 Yuchai YC6108G (B7626) ГТР YJSW315-4BКПП Мост перед. ZL30F.5.2 Мост задн. ZL30F.5.9
-
Дизельный двигатель в сборе
-
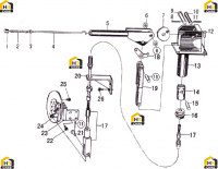
Система управления регулятора оборотов
-
Система гидротрансформатора
-
Гидротрансформатор в разборе
-
Вал ведущий (центральный)
-
Вал приводной (задний, передний)
-
Подвесной подшипник ведущего вала
-
Фильтр масляный
-
Трансмиссия (часть I)
-
Трансмиссия (часть II)
-
Шестерня третьей передачи главного вала
-
Шестерня четвертой передачи главного вала (часть I)
-
Шестерня четвертой передачи главного вала (часть II)
-
Шестерня пятой передачи главного вала
-
Насос
-
Клапан распределительный коробки передач
-
Система коробки передач
-
Система ведущих мостов
-
Мосты в сборе (передний, задний)
-
Бортовая передача в сборе
-
Главный привод (передний, задний мосты)
-
Колесо с шиной в сборе
-
Гидросистема рабочего оборудования
-
Насос шестерёнчатый
-
Клапан регулирующий (распределитель)
-
Цилиндр разгрузки ковша
-
Цилиндр стрелы
-
Cистема управления
-
Пальцы, втулки подъемной рамы
-
Система рулевого управления
-
Шестерня рулевого привода
-
Клапан приоритетный
-
Цилиндр рулевой
-
Система ножного тормоза
-
Суппорт тормозной
-
Воздухораспределитель, воздухосборник, воздухоосушитель
-
Усилитель тормозов
-
Система ручного тормоза
-
Тормоз стояночный
-
Рама передняя
-
Рама задняя
-
Топливный бак в сборе
-
Маслобак в сборе
-
Кабина в сборе
-
Обогреватель
-
Электросистема
-
Панель приборов