LGCE (SDLG) LG6150E (2018.08) Code 11212943
1 154 000 товаров
Экскаватор гусеничный
Модификация: ДВС 11212943 Dalian Deutz (BF4M2012-10T2-0767) Комплектация 60150064A0200 Серийные номера [VLG6150EJ0600100-VLG6150EJ0600101]
-
Двигатель
-
Кронштейн двигателя опорный
-
Система топливного бака
-
Комплектующие топливного бака
-
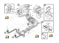
Узел топливопровода
-
Водоотделитель
-
Система выхлопная
-
Система впуска воздуха
-
Комплектующие радиатора
-
Радиатор в сборе (331008)
-
Вентилятор радиатора в сборе
-
Штанга и стакан толкателя газораспределительного механизма
-
Комплект шатунных вкладышей
-
Вал коленчатый в сборе
-
Поршень в сборе
-
Болты крепежные
-
Актуатор
-
Комплектующие блока цилиндров
-
Заглушка ГБЦ
-
Пробка-заглушка
-
Форсунка охлаждения поршня двигателя
-
Рейка топливная
-
Трубки топливные
-
Прокладка ГБЦ
-
Вал распределительный в сборе
-
Толкатель клапана в сборе (версия 1)
-
Толкатель клапана в сборе (версия 2)
-
Насос топливный высокого давления
-
Форсунка головки блока цилиндров
-
Кольцо форсунки головки блока цилиндров
-
Головка блока с комплектующими
-
Заглушка крышки блока цилиндров
-
Заглушка крышки
-
Коллектор выпускной в сборе
-
Трубка подачи масла в турбину с комплектующими (версия 1)
-
Трубка подачи масла в турбину с комплектующими (версия 2)
-
Прокладка и болт турбокомпрессора
-
Комплектующие впускного коллектора
-
Прокладка и болт впускного коллектора
-
Заглушка коллектора
-
Сапун картера
-
Коллектор выпускной
-
Труба выхлопная
-
Хомут патрубков
-
Крышка передняя
-
Заглушка масляного радиатора
-
Патрубок маслозаборный
-
Поддон масляный
-
Штуцер шланговый
-
Щуп масломерный с креплением
-
Щуп масломерный
-
Трубка направляющая щупа масляного
-
Корпус маховика с комплектующими
-
Картер маховика двигателя с комплектующими
-
Маховик в сборе
-
Заглушка водяного насоса
-
Насос водяной в сборе
-
Термостат в сборе
-
Заглушка
-
Шкив вентилятора (часть 1)
-
Комплект прокладок BF4M2012-10T2-0767
-
Генератор
-
Комплект головки блока цилиндров
-
Крепление генератора
-
Кронштейн вентилятора
-
Комплект поршневых колец
-
Болт фланца с шестигранной головкой
-
Шатун в сборе
-
Шкив клинового ремня
-
Комплект уплотнений
-
Насос топливный в сборе
-
Комплект форсунок охлаждения поршня
-
Натяжитель ремня
-
Комплект коренных вкладышей
-
Болт кронштейна шкива вентилятора
-
Комплект подшипников распределительного вала
-
Шкив вентилятора в сборе
-
Комплект коромысла
-
Шкив вентилятора (часть 2)
-
Кронштейн двигателя левый
-
Кронштейн двигателя правый
-
Пробка
-
Заглушка и прокладка блока цилиндров
-
Крышка распределительных шестерен с комплектующими
-
Заглушка головки блока цилиндров
-
Крышка клапанная в сборе
-
Уплотнение резиновое крышки
-
Заглушка масляного радиатора (часть 1)
-
Комплектующие масляного радиатора
-
Заглушка масляного радиатора (часть 2)
-
Устройство обратного клапана масла
-
Фильтр топливный с комплектующими
-
Фиксатор фильтра
-
Трубки топливные (часть 1)
-
Трубки топливные (часть 2)
-
Заглушка с кольцом
-
Трубки топливные (часть 3)
-
Ушко сцепки (выступ пальца сцепки)
-
Стартер
-
Болт стартера
-
Регулятор заряда
-
Комплектующие датчика температуры
-
Жгут проводов в сборе (часть 1)
-
Жгут проводов в сборе (часть 2)
-
Блок управления двигателем
-
Реле подогревателя
-
Болт ГБЦ
-
Заглушка масляного радиатора (часть 3)
-
Датчик положения коленвала
-
Датчик импульсный
-
Датчик температуры
-
Радиатор в сборе (991011)
-
Фильтр масляный
-
Аккумулятор с креплением
-
Замок зажигания
-
Фара в сборе
-
Фонарь на стрелу
-
Сигнал
-
Бачок омывателя в сборе
-
Переключатель
-
Блок электроники
-
Кабель аккумуляторной батареи с креплением
-
Жгут проводов основного кабеля
-
Жгут проводов в сборе (часть 3)
-
Жгут проводов в сборе (часть 4)
-
Жгут проводов в сборе (часть 5)
-
Датчик топлива
-
Блок предупреждения и информационный блок (часть 1)
-
Магнитофон
-
Блок управления
-
Предохранитель с креплением
-
Блок предохранителей
-
Болты крепежные блока управления двигателем
-
Муфта эластичная
-
Узел поворотного соединения
-
Соединение поворотное
-
Цепь гусеничная
-
Ограждение цепного рельса
-
Пластина защитная (часть 1)
-
Пластина защитная (часть 2)
-
Противовес
-
Шасси, комплект пружин (25891)
-
Комплектующие направляющего колеса (991011)
-
Колесо верхнее опорное
-
Ролик нижний
-
Звездочка
-
Шасси, комплект пружин (370821)
-
Установка гидравлического насоса
-
Насос гидравлический рабочий в сборе
-
Регулятор гидравлического насоса (часть 1)
-
Регулятор гидравлического насоса (часть 2)
-
Регулятор гидравлического насоса (часть 3)
-
Насос гидравлический шестеренчатый
-
Сервосистема (часть 1)
-
Клапан распределительный (часть 1)
-
Клапан распределительный (часть 2)
-
Клапан распределительный (часть 3)
-
Клапан распределительный (часть 4)
-
Узел рабочий гидравлический
-
Узел вращающегося гидравлического трубопровода (часть 1)
-
Узел вращающегося гидравлического трубопровода (часть 2)
-
Редуктор роторный
-
Гидромотор поворотной платформы
-
Комплектующие роторного редуктора
-
Двигатель шагающий в сборе (часть 1)
-
Двигатель шагающий в сборе (часть 2)
-
Двигатель шагающий в сборе (часть 3)
-
Двигатель шагающий в сборе (часть 4)
-
Узел трубопровода для наливного гидравлического масла
-
Комплектующие кабины (часть 1)
-
Комплектующие кабины (часть 2)
-
Комплектующие кабины (часть 3)
-
Комплектующие кабины (часть 4)
-
Комплектующие кабины (часть 5)
-
Каркас капота
-
Капот двигателя
-
Крышка главного насоса
-
Поручень
-
Ящик для инструментов
-
Дверь кабины оператора
-
Зеркало заднего вида (часть 1)
-
Зеркало заднего вида (часть 2)
-
Окно кабины в сборе
-
Стекло лобовое
-
Козырек солнцезащитный
-
Сиденье в сборе
-
Крепление солнцезащитного козырька
-
Линия шарнирного соединения (часть 1)
-
Воздуховод
-
Система кондиционирования воздуха
-
Блок предупреждения и информационный блок (часть 2)
-
Блок предупреждения и информационный блок (часть 3)
-
Защита от скольжения
-
Набор инструментов
-
Ярлык, лого, опознавательные знаки (часть 1)
-
Бак для гидравлической жидкости в сборе
-
Линия шарнирного соединения (часть 2)
-
Сервосистема (часть 2)
-
Сервосистема (часть 3)
-
Сервосистема (часть 4)
-
Сервосистема (часть 5)
-
Сервосистема (часть 6)
-
Педаль клапана дистанционного управления (часть 1)
-
Педаль клапана дистанционного управления (часть 2)
-
Сервосистема (часть 7)
-
Стрела и трубопроводы для смазки (часть 1)
-
Цилиндр стрелы
-
Крепление ковша
-
Ковш в сборе
-
Стрела и трубопроводы для смазки (часть 2)
-
Цилиндр подъемный в сборе
-
Рычаг крепежный
-
Цилиндр ковша
-
Шатун ковшовой штанги
-
Цилиндр ковшового рычага
-
Цилиндр ковшового рычага_(320408)
-
Цилиндр подъемный в сборе (320408)
-
Цилиндр ковша (320408)
-
Палец стрелы с комплектующими
-
Узел ковшовой штанги
-
Переходник (тип A)
-
Переходник (тип B)
-
Переходник (тип C)
-
Переходник (тип D)
-
Переходник (тип E)
-
Переходник (тип F)
-
Переходник (тип G)
-
Переходник (тип H)
-
Переходник (тип I)
-
Переходник (тип J)
-
Переходник (тип K)
-
Переходник (тип L)
-
Переходник (тип M)
-
Переходник (тип N)
-
Переходник (тип A.)
-
Переходник (тип B.)
-
Переходник (тип C.)
-
Переходник (тип D.)
-
Переходник (тип E.)
-
Переходник (тип F.)
-
Переходник (тип G.)
-
Переходник (тип H.)
-
Переходник (тип I.)
-
Каркас
-
Система зубчатая
-
Переходник (тип A..)
-
Переходник (тип B..)
-
Переходник (тип C..)
-
Переходник (тип D..)
-
Переходник (тип E..)
-
Переходник (тип F..)
-
Переходник (тип G..)
-
Переходник (тип H..)
-
Переходник (тип I..)
-
Переходник (тип J..)
-
Переходник (тип K..)
-
Переходник (тип L..)
-
Переходник (тип M..)
-
Переходник (тип N..)
-
Переходник (тип O..)
-
Переходник (тип P..)
-
Переходник (тип Q..)
-
Переходник (тип R..)
-
Переходник (тип S..)
-
Плита опорная
-
Коврик автомобильный
-
Дверь боковая
-
Крышка верхняя в сборе
-
Накладка защитная
-
Ярлык, лого, опознавательные знаки (часть 2)
-
Ярлык, лого, опознавательные знаки (часть 3)
-
Ярлык, лого, опознавательные знаки (часть 4)
-
Ярлык, лого, опознавательные знаки (часть 5)