LGCE (SDLG) L948F (2015.07)
1 154 000 товаров
Погрузчик фронтальный
Модификация: ДВС 11220458 Dalian Deutz ГТР 4110001742006 (ZF 4168030287)КПП 4110001742 (ZF 4WG158) Мост перед. 29070023531 (A504C) Мост задн. 29090013461 (A504C)
-
Двигатель в сборе
-
Система выхлопных газов
-
Воздухозаборная система
-
Система очистки дизельных выхлопных газов
-
Узел крепления двигателя
-
Узел слива масла
-
Система подачи топлива
-
Система топливного бака
-
Топливный бак в сборе
-
Расширительный бачок в сборе
-
Шланг радиатора в сборе
-
Радиатор в сборе
-
Гидромотор вентилятора
-
Насос топливный
-
Комплектующие радиатора
-
Гидромотор PGM37
-
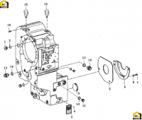
Трансмиссия
-
Узел крепления двигателя 4644 130 296
-
Гидротрансформатор 4166 030 195
-
Схема входного устройства КПП 4644 102 134
-
Трансмиссионный узел 4644 101 190
-
Заглушки винтовые 4644 101 497
-
Вал промежуточный 4644 108 232
-
Муфта сцепления 4644 151 238
-
Муфта сцепления 4644 151 500
-
Муфта сцепления 4644 152 233
-
Муфта сцепления 4644 152 556
-
Муфта сцепления 4644 153 241
-
Муфта сцепления 4644 153 512
-
Вал входной 4644 103 107
-
Фланец выходного вала 4644 103 467
-
Тормозной барабан 4644 109 040
-
Фланец 4644 109 438
-
Фланец масляного насоса 4644 154 080
-
Корпус масляного насоса 4644 154 476
-
Схема входного устройства КПП 4644 155 031
-
Крышка верхняя КПП и вал 4644 155 420
-
Механизм переключения передач 4644 106 325
-
Механизм переключения передач 4644 159 347
-
Фланец масляного насоса c насосом КПП 4644 120 213
-
Фильтр масляный 4644 138 015
-
Заглушка 4644 125 202
-
Заглушка 4644 125 407
-
Заглушка 4644 107 006
-
Заглушка 4644 107 471
-
Соединительная муфта шланга (масляный щуп) 4644 131 082
-
Заглушка 4644 131 419
-
Шланги КПП 4644 121 226
-
Блок управления (разъёмы) 4644 183 113
-
Передний ведущий мост в сборе A504C (часть I)
-
Передний ведущий мост в сборе A504C (часть II)
-
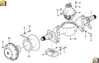
Главный передний привод в сборе
-
Колёсный редуктор
-
Тормозной суппорт в сборе (371104)
-
Карданный вал
-
Задний ведущий мост в сборе A504C (часть I)
-
Задний ведущий мост в сборе A504C (часть II)
-
Главный привод в сборе
-
Маслобак гидросистемы
-
Система гидравлического масляного бака
-
Гидравлический узел управления
-
Распределитель в сборе (331005)
-
Функция управления гидроклапана (3-я скорость)
-
Рычаг переключения передач (331001)
-
Подъёмный цилиндр в сборе
-
Подъёмный цилиндр в сборе (3713CH)
-
Цилиндр наклона ковша
-
Цилиндр наклона (3713CH)
-
Быстросменное оборудование
-
Кронштейн быстросменного оборудования
-
Гидравлическая система быстросменного оборудования
-
Гидроцилиндр в сборе (3713CH)
-
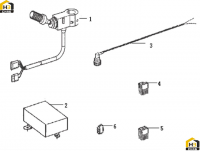
Электросистема
-
Стрела погрузчика, коромысло, тяга
-
Пальцы, втулки подъемной рамы
-
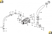
Насос рулевого управления в сборе
-
Насос рулевого управления в сборе (120104)
-
Рулевой редуктор
-
Рулевая колонка в сборе
-
Узел рулевого цилиндра
-
Рулевой цилиндр в сборе (3713CH)
-
Рулевой цилиндр в сборе (371368)
-
Рулевой цилиндр в сборе (371401)
-
Рабочий тормоз в сборе
-
Узел стояночного тормоза
-
Тормозной цилиндр в сборе
-
Передняя рама
-
Крепежные средства передней рамы
-
Задняя рама
-
Крепежные средства задней рамы
-
Противовес
-
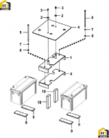
Кронштейн батареи
-
Кабина в сборе
-
Нижняя рама кабины
-
Комплектующие кабины (часть I)
-
Рычаг стеклоочистителя
-
Левая дверь в сборе
-
Система омывателя ветрового стекла
-
Крышка кондиционера в сборе
-
Отделка салона кабины
-
Сиденье в сборе
-
Сидение водителя LG06A (350201)
-
Комплектующие кабины (часть II)
-
Система распределения воздуха
-
Блок управления в сборе
-
Крепежные средства кабины (кронштейн)
-
Капот двигателя
-
Крепежные средства кабины (подножки)
-
Нижняя лестница в сборе (левая)
-
Стойка-платформа в сборе (левая)
-
Нижняя лестница в сборе (правая)
-
Стойка-платформа в сборе (правая)
-
Фонарь задний
-
Крышка гидравлического масляного бака
-
Ярлык, лого, опознавательные знаки
-
Система кондиционирования воздуха
-
Кондиционер L948F
-
Блок испарителя (330112)
-
Блок испарителя (410706)
-
Конденсатор (330112)
-
Конденсатор (410706)
-
Узел электропитания
-
Электропроводка передней рамы
-
Электропроводка задней рамы
-
Электропроводка кабины
-
Фара рабочая (3713EE)
-
Радио в сборе
-
Блок реле и плавких предохранителей
-
Электропроводка двигателя (часть I)
-
Электропроводка двигателя (часть II)
-
Электропроводка капота
-
Ковш