LGCE (SDLG) G9200 (2014.12)
1 154 000 товаров
Грейдер
Модификация: ДВС 4110002354 Dalian Deutz BF6M1013CP(BF6M1013-20T2-1905) КПП 4110001905 (ZF 4644.006.349) Мост перед. 28080002021 Мост задн. 4110001903 (90000283-18MRH-X242A)
-
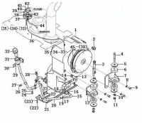
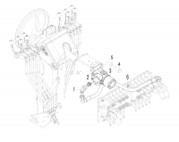
Радиатор в сборе
-
Радиатор LY-LGG8190 (321002)
-
Глушитель в сборе
-
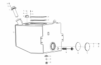
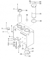
Коробка передач в сборе
-
Корпус коробки передач (4644101)
-
Корпус коробки передач (внутренняя часть) (4644102)
-
Корпус коробки передач (внешняя часть) (4644103)
-
Клапан регулирующий (4644106)
-
Счётчик числа оборотов (тахометр) (4644107)
-
Шестерня ведомая (4644108)
-
Стопор тормозной (4644109)
-
Клапан давления (4644120)
-
Трубка масляная (4644121)
-
Комплект датчиков (4644125)
-
Конвертер (гидротрансформатор) (4644130)
-
Прокладки трубки масляной (4644131)
-
Фильтр топливный (4644138)
-
Узел муфты сцепления (4644 151KV+K1)
-
Узел муфты сцепления (4644 152KR+K2)
-
Узел муфты сцепления (4644 153K3+K4)
-
Муфта отбора мощности (4644 154) (часть I)
-
Муфта отбора мощности (4644 154) (часть II)
-
Клапан распределительный (4644 159)
-
Рычаг управления коробки передач (4644 199)
-
Радиатор охлаждения масла КПП
-
Мост передний в сборе
-
Ось передняя
-
Ось левая
-
Ось правая
-
Ось задняя
-
Колесо заднего моста
-
Мост в сборе (90000283)
-
Редуктор главный в сборе (82513600)
-
Редуктор планетарный в сборе (93000011)
-
Тормоз в сборе (84787100)
-
Противовес левый в сборе (90500021)
-
Противовес правый в сборе (90500022)
-
Вал приводной в сборе
-
Вал приводной (330101)
-
Маслобак в сборе
-
Фильтр масляный XNL-250х10-566
-
Насос рабочий в сборе
-
Гидролиния в сборе
-
Блок клапанов управления
-
Цилиндр наклона в сборе
-
Управление шарнирное рулевое в сборе
-
Отвал в сборе (часть I)
-
Отвал в сборе (часть II)
-
Соединение шарнирное
-
Гидролиния стрелы
-
Гидроцилиндр наклона передний 100х50х169-473 (3713CH)
-
Цилиндр рулевой левый 63х45х340-577 (3713CH)
-
Цилиндр рулевой правый 63х45х340-577 (3713CH)
-
Гидроцилиндр поворота 80х35х279.5-507 (3713CH)
-
Оборудование поворотное в сборе (тяга поворотного круга)
-
Платформа поворотная (качения)
-
Оборудование рабочее (часть I)
-
Оборудование рабочее (часть II)
-
Шаровая головка в сборе
-
Отвал
-
Насос рулевого управления в сборе
-
Редуктор рулевой
-
Цилиндр рулевого управления в сборе
-
Тормоз стояночный в сборе
-
Система стояночного тормоза LG19-CZJG-LGS814
-
Тормоз рабочий в сборе
-
Фильтр тормозной системы
-
Клапан тормозной в сборе
-
Клапан обратный возврата масла в сборе
-
Клапан предварительного наполнения
-
Аккумулятор в сборе
-
Клапан электромагнитный в сборе
-
Рама передняя в сборе
-
Соединение шарнирное в сборе
-
Кабина в сборе
-
Комплектующие кабины (часть I)
-
Комплектующие кабины (часть II)
-
Комплектующие кабины (часть III)
-
Вентиляционная установка
-
Сиденье в сборе
-
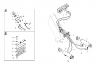
Электросистема кабины
-
Дверь в сборе (часть I)
-
Дверь в сборе (часть II)
-
Рычаг управления в сборе
-
Опора в сборе
-
Рабочее оборудование в сборе
-
Кронштейн гидрораспределителя
-
Рулевое управление в сборе
-
Крышка кондиционера в сборе
-
Капот в сборе
-
Крышка верхняя в сборе
-
Логотипы и опознавательные знаки
-
Комплектующие (дополнительное оборудование)
-
Кронштейн в сборе
-
Кондиционер в сборе
-
Электросистема
-
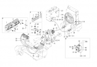
Двигатель в сборе
-
Топливный фильтр в сборе
-
Воздухоочиститель в сборе
-
Топливный бак в сборе
-
Топливный бак