LGCE (SDLG) D1803-M-DI-E3B (12792404) Code 4110003022
1 154 000 товаров
Двигатель Kubota
Модификация: D1803-M-DI-E3B EU/ROW (12792404) 2016.12 Code 4110003022
-
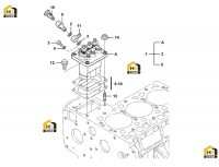
Комплектующие блока цилиндров
-
Поддон масляный
-
Головка блока с комплектующими
-
Крышка передняя картера шестерен с комплектующими
-
Крышка головки блока цилиндров
-
Фильтр масляный
-
Щуп масломерный
-
Насос масляный в сборе
-
Вал приводной
-
Вал коленчатый в сборе
-
Вал распределительный и вал холостого хода
-
Поршень и коленчатый вал
-
Маховик
-
Вал топливный распределительный и вал регулятора
-
Регулятор оборотов двигателя
-
Комплект электромагнитных клапанов
-
Насос топливный высокого давления
-
Вилка сцепления
-
Регулятор скорости
-
Держатель сопла и свеча накаливания
-
Фильтр топливный с кронштейном
-
Насос подкачки топлива
-
Пластина крепежная с болтами
-
Генератор переменного тока и шкив
-
Генератор в сборе
-
Крепление стартера
-
Стартер в разборе
-
Выключатель масляный
-
Фланец водяной и термостат
-
Насос водяной
-
Шкив вентилятора
-
Клапан и коромысло
-
Прокладка и болт впускного коллектора
-
Коллектор выпускной в сборе
-
Хронометр
-
Прокладка и обратный клапан
-
Этикетка и руководство по эксплуатации