LGCE (SDLG) C6121ZG50 (C6ZG50f) Code 4110000186 (V 1)
1 154 000 товаров
Двигатель Sdec
Модификация: C6121ZG50 (C6ZG50f) (2009.12) Code 4110000186 (V 1)
-
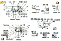
Блок цилиндров в сборе
-
Уплотнение коленвала
-
Патрубок маслозаливной
-
Поддон масляный с болтами крепления
-
Щуп масляный и комплектующие
-
Узел головки блока цилиндров (крышка, крепление)
-
Поршень цилиндра в сборе
-
Вал коленчатый и комплектующие
-
Шкив в сборе
-
Маховик в сборе
-
Амортизатор
-
Шестерня распределительная в сборе
-
Глушитель выхлопа в сборе
-
Вал распределительный
-
Стартер
-
Воздухопровод впускной
-
Патрубки впускной и выпускной в сборе
-
Коллектор выхлопной
-
Фильтр воздушный
-
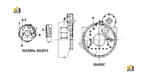
Насос масляный (двойная передача)
-
Корпус вентилятора с кронштейном
-
Привод вентилятора
-
Вентилятор в сборе
-
Радиатор масляный с фильтром
-
Теплообменник
-
Трубопровод масляный
-
Трубка масляная турбокомпрессора
-
Насос водяной в сборе
-
Термостат
-
Шланг системы охлаждения
-
Компрессор воздушный
-
Трубопровод компрессора
-
Кран топливный в сборе
-
Крышка картера главной передачи
-
Кольцо удерживающее
-
Привод клапанов
-
Патрубок сапуна
-
Фильтр топливный
-
Картер маховика в сборе
-
Комплект рабочих инструментов
-
Турбокомпрессор с комплектующими
-
Насос топливный высокого давления
-
Вспомогательные агрегаты двигателя
-
Патрубок водяной
-
Топливопровод
-
Узел крепления двигателя и маховика