LGCE (SDLG) B877 (2013.11)
1 154 000 товаров
Экскаватор-погрузчик
Модификация: ДВС 4110002247 Deutz WP4G95E221 (DHB04G0032) ГТР 4110001921182 (CARRARO 642652)КПП 4110001921 (CARRARO 359169) Мост перед. 4110001922 (CARRARO 359859) Мост задн. 4110001923 (CARRARO 372979)
-
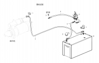
Радиатор LY-LGB677-1A
-
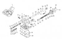
Коробка передач в сборе
-
Насос масляный
-
Фильтры масляные
-
Корпус коробки передач
-
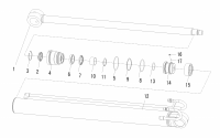
Вал входной коробки передач
-
Вал обратного хода и ведущий вал КПП
-
Вал промежуточный
-
Вал передний
-
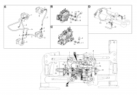
Переключатель скоростей
-
Клапан распределительный
-
Клапан электромагнитный
-
Конвертор (гидротрансформатор)
-
Управление агрегатом в сборе
-
Педаль акселератора в сборе
-
Мост передний в сборе
-
Вал приводной в сборе
-
Мост задний в сборе
-
Картер моста
-
Кулак поворотный и рулевой цилиндр
-
Пара гипоидная
-
Дифференциал в сборе
-
Шарнир двойной карданный
-
Cтупица колеса
-
Редуктор бортовой
-
Корпус моста
-
Комплект конической передачи
-
Дифференциал
-
Блокировка дифференциала
-
Механизм тормозной
-
Ступица колеса и бортовой редуктор
-
Суппорт тормозной в сборе
-
Суппорт тормозной
-
Гидравлический привод управления в сборе
-
Клапан управления
-
Гидравлическое регулирование (часть I)
-
Гидравлическое регулирование (часть II)
-
Клапан регулирующий
-
Механизм управления педали
-
Кронштейн (гидравлика)
-
Бак топливный
-
Насос рабочий в сборе
-
Система гидравлики в сборе
-
Система гидравлики стрелы в сборе
-
Система гидравлики (часть I)
-
Система гидравлики (часть II)
-
Цилиндр в сборе (3713CH)
-
Цилиндр ковша (3713CH)
-
Цилиндр поворота (3713CH)
-
Цилиндр правый (3713CH)
-
Цилиндр левый (3713CH)
-
Общая система гидравлики в сборе
-
Цилиндр правый в сборе (3713CH)
-
Цилиндр левый в сборе (3713CH)
-
Цилиндр ковша левый (3713CH)
-
Цилиндр ковша правый (3713CH)
-
Цилиндр стрелы левый (3713CH)
-
Цилиндр стрелы правый (3713CH)
-
Радиатор гидросистемы
-
Рабочее оборудование (стрела) (часть I)
-
Рабочее оборудование (стрела) (часть II)
-
Ковш в сборе
-
Грузозахватное оборудование
-
Система рулевого управления
-
Рабочий тормоз в сборе
-
Стояночный тормоз в сборе
-
Рама в сборе
-
Траверса в сборе
-
Противовес в сборе
-
Кабина в сборе (часть I)
-
Кабина в сборе (часть II)
-
Кабина в сборе (часть III)
-
Стекла кабины
-
Сиденье в сборе
-
Капот в сборе
-
Оборудование дополнительное
-
Логотипы и опознавательные знаки
-
Кондиционер в сборе
-
Узлы электропроводки рамы
-
Узлы электропроводки кабины
-
Узлы электропроводки двигателя
-
Блок питания в сборе
-
Двигатель в сборе
-
Топливная система
-
Cистема охлаждения двигателя