SCHOPF F59.45
1 154 000 товаров
Тягач аэродромный
Модификация: SCHOPF F59 Версия F59.45 (08.12.2006) Номера 2006085--2006089
-
Устройство прицепа сцепное
-
Рама с комплектующими
-
Обшивка рамы
-
Комплектующие кабины
-
Двигатель BF4L1011F
-
Воздухоочиститель
-
Радиатор масляный в сборе
-
Педаль газа
-
Бак топливный
-
Патрубок выпускной
-
Цилиндр рулевого управления
-
Система гидравлическая
-
Насос двойной гидравлический
-
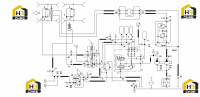
Схема гидравлическая
-
Бак гидравлический и фильтр
-
Ось и опора осей
-
Ось передняя-корпус
-
Мост передний-дифференциал
-
Мост передний-привод планетарный
-
Диск тормозной передней оси
-
Редуктор-дифференциал передней оси
-
Передача распределительная передней оси
-
Ось задняя-корпус
-
Мост задний-дифференциал
-
Мост задний-привод планетарный
-
Диск тормозной заднего моста
-
Шины и диски
-
Фильтр масляный трансмиссии
-
Вал соединительный
-
Теплообменник
-
Панель управления